徒然日記からの抜粋です。
2009年
・CQ誌購入
19日なのでCQ誌を購入しました。

購入したCQ誌(CQ ham radio)2009年10月号。\930なり。
今月の特集は「アマチュア無線家の製作実験アイデア集」で、1~2ページ程度にまとめた回路やアイデアが、17点紹介されています。
で、今月号で私が一番注目したのは、「旧型KENWOODリグ用PC接続インターフェース基板の製作とCTESTWIN」という記事。
これ、TS-680のPC接続用I/F基板IF-10Cと同じ動きをする基板を作り、いま流行の、リグコントロールを行おうと言う記事です。
PC接続用I/F基板IF-10Cの存在は知っていたのですが、こういう事が出来るとは知りませんでした。
当時のカタログには、何も書いていませんでしたしね・・・。
記事にもあるとおり、IC-10C以外に、IF-232Cという物が必要で、カタログを見ると、IF-10Cが\8,900、IF-232Cが\9,900したようです。

当時のカタログから。
しかし、これは便利そうですね。
TS-680Vを持っている私としては、是非とも製作したい基板です。
記事の回路を見ると、とても簡単ですし・・・。
Z80あたりが得意な人なら、何をしているかすぐにわかるはず。
問題は、シリアルコントローラ8251Aの入手かな。
秋葉原で買えるかな・・・。
最終手段として、会社のデッドストックをもらってくるという手もあるか?(笑)
時間があったら、2台分を製作しましょう。
・IF-10C互換基板作成
2009年10月号のCQ誌(CQ ham radio)に、「旧型KENWOODリグ用PC接続インターフェース基板の製作とCTESTWIN」という記事がありました(9月19日の日記参照)
内容は、ケンウッドの無線機TS-680用に、PC接続用のインタフェースを作るという物です。
当時、純正オプションでIF-10Cという物があったのですが、それと同等の物を作るというわけです。
その内容にかなり興味を持ったので、この基板を作ってみることにしました。
私の所では、TS-680Vを2台所有しているので、今回、2台分の基板を作ることにします。
しかし、2枚もラッピング線を這わすのは面倒・・・(汗)
それと、信頼度も上げたいので、プリント基板を起こすことにしました。
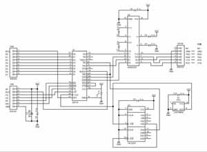
まず、回路図CADで回路図を書きます。
 画像をクリックすると、回路図のPDFファイルが開きます。
CQ誌に掲載されている回路を参考にしました(ありがとうございます)
回路には、少しアレンジを加えてあります。
で、回路図からネットリストを出して、そこからアートワークをする予定だったのですが、インストールしてあるアートワークCAD、K2CADの設定が面倒(汗)
ネットリストを使うほどの回路でもなかったので、水魚堂さんの「MBE(Minimal Board Editor)」を使ってみました。

作業中の画面。
いや~、これは便利です。
細かい設定が必要ないので、手書きのアートワークの感覚で作業ができます。
DRC(Design Rule Check)機能もあるので、パターンのクリアランスも確認できますしね。
これで、ガーバーデータが出力できるのだから、すごいです。
部品間の接続が合っているかどうかは、自分で確認する必要はありますが。

できあがったアートワークはこんな感じ。
で、アートワークが完成したので、プリント基板を製作してくれる、ブルガリアのOLIMEXという所に発注しました。
そう、本格的に基板を作ります(笑)
今回は、DSSというサイズで、Airmail発送をお願いしたので、EUR30+EUR8.5の、計EUR38.5(約\5,000)となる予定です。
すごいよなぁ・・・プリント基板が、イニシャル込みで、この金額で作れるのですよ!
(通常、イニシャルが数万~数十万かかり、それに加え基板代が必要だったりするのです)
DSSというサイズだと、今回の基板は4枚作成できる予定なので、基板1枚\1,250か・・・。
感光基板を買ってきて、自分でエッチング+ドリル穴あけより安いかも。
これは、やみつきになりそう(笑)
2週間ほどで、できあがる予定です。
楽しみ楽しみ・・・。
それまでに、部品をそろえないと。
そうそう、プリント基板がこのサイズなのは、TS-680Vに実装する場所がこんな感じだからです。

基板を固定するのに、セルフタッピングねじが必要なのよね。
これも買ってこないと。
・OLIMEXから返事が来た
昨日、ブルガリアのOLIMEXに、プリント基板の製造を依頼しました(昨日の日記参照)
そうしたら、今日、PO(注文書)のフォームが届きました。

こんな感じ。
ん~、噂には聞いていたのですが、仕事が早い(笑)
特にルール違反もなかったようで、追加費用も発生していませんでした。
で、このフォームに必要事項を記入して、FAXで送るのですが、そのFAXが送れない・・・。
「FAXが無い」とか、「国際電話ができない」とか、そういう問題ではなく、相手が出ないのです(汗)
呼び出し音は鳴るんだけどなぁ・・・。
送信している時間(日本時間の0時30分過ぎ、現地時間の17時30分過ぎ)が悪いのかな・・・?
明日、再度挑戦しますかね。
・国際FAXができない
おととい、ブルガリアのOLIMEXにFAXが送れないと書きました。
その後、何度も試したのですが、やはり、送ることができません・・・。
OLIMEXにメールで確認したら、「the fax should work」という回答。
試しに、携帯電話で、そのFAX番号に電話をすると、ちゃんとつながります。
どうにも解決しないので、コンビニのローソンに行って、FAXを送ってきました。

1枚\200なり。
まあ、コンビニは家の向かいなので、行くこと自体は、何も苦にならないのですが。
しかし、なぜ、家のシステムだと、OLIMEXにFAXが送れないんでしょうね?
FAXは、ブラザーの複合機MFC-850CDN。
電話回線は、ひかり電話です。
とりあえず、何か電話機を持ってきて、確認しようかな。
それでもダメなら、ひかり電話の問題なの?
調べた限り、そんな情報は見あたらないのだけど・・・。
・RSコンポーネンツで部品購入
通販で部品を購入しました。

購入した部品。RSコンポーネンツで購入。\3,856なり(送料込み)
以前紹介した、IF-10C互換基板用の部品です。
RSコンポーネンツで購入なので、法人名義(個人事業名義)で購入しています。
主に、日本圧着端子製造(JST)のコネクタ、EHシリーズを入手するために利用しました。
秋葉原で、確実に入手できるかわからなかったので・・・。
徐々にIF-10C互換基板用の部品が集まってきましたよ。
プリント基板が、いつ届くかな?
発送したという連絡がないのよね。
・OLIMEXから基板発送の連絡が来た
10月4日に、ブルガリアのOLIMEXに製造を依頼したプリント基板。
今日、発送したという連絡が届きました。

発送したことを示すインボイス。
注文書のFAX方法で、時間をロスしたので、実働7日くらいで出来上がったようですね。
発送方法はAirmailを指定したので、到着するのは、早くて今週末かな?
どんな基板ができたのか、楽しみですよ・・・。
あと、部品をそろえないと。
・OLIMEXからプリント基板が届いたみたい
おととい、「発送の連絡が来た」と書いた、ブルガリアにあるOLIMEXのプリント基板。
帰宅したら、郵便局の不在通知がポストに入れられていました。

こんな感じ。
おお~、もう届いたのね。
「航空便で中2日?」と驚いたのですが、インボイスの日付を見ると、10月14日になっている・・・。
それを考えると、妥当な日数ですね。
今週末に、物は受け取れそうです。
おお~、楽しみですよ。
・OLIMEXからプリント基板が届いた
10月4日にアートワーク作成、その日のうちに、ブルガリアのOLIMEXに注文したプリント基板が、本日、到着しました!

キリル文字で書かれた封筒が届きました。
10月7日に注文書をFAXし、10月14日に発送、10月22日に不在通知が届いていたので、ちょうど2週間で物が届いたことになります。
物のできあがりは早いのに、Airmailで時間がかかっているなぁ。
出来上がったプリント基板は、こんな感じ。

しっかり、4枚作れました。
RoHS対応のため、現在は金フラで作っているのね。
皆さん書かれている、基板の端面のバリも、思ったよりも無い感じだし。
これで\5,122(クレジットカード会社からの請求額)なら、満足できる内容です。
で、入手済みの部品を実装してみました。

部品を乗せただけで、半田付けはしていません。
さっそく、問題発生(汗)
JSTのEHコネクタ用の穴が小さかった。
データシート通り、0.9mmの穴を指定したのですが、スルーホール加工で0.1mm小さくなるのね。
なので、基板を少し加工をしてあげないと、コネクタが実装できません。
あと、コネクタのピッチは2.5mmなのに、基板は2.54mmのピッチにしてしまったため、端のピンの実装が大変になっています。
穴径が大きければ、それも吸収できたのでしょうけど・・・。
あと、パスコンとICが近すぎた(特に、74LS393とOSC間のパスコン)
実装がギリギリになってしまいそうです。
それ以外は、大きな問題は無さそうです。
というか、このくらいの回路で問題を出していたら、それはそれで問題か(汗)
組み込む相手、TS-680Vに、このプリント基板を置いてみました。

おお~、なかなかいい感じです。
早く残り部品を入手して、組み立てたいな・・・。
・IF-10C互換基板完成
ケンウッドの無線機TS-680VをPCコントロールするべく、先月から、IF-10C互換基板を作成しています。
で、10月24日にプリント基板が到着し、先週末、組み立て・動作確認を行いました。

予定通り、2式組み立てました。
が、しかし、仮組のデバッグ時には動いていたものが、回路図通りにハーネスを作ると動作しない。
1日中、うんうん悩んでいたのですが、回路図とアートワークで配線が違うことが判明(汗)
ICの出力から、コネクタ部への配線が違っていたので、回路図を修正し、ハーネスでミスを吸収してしまいました。
その辺のミスを反映した回路がこちら。

クリックするとPDFファイルで開きます。
これで、プリント基板と回路図で整合がとれました。
(10月4日に公開した回路図も修正しています)
あと、ハーネス図も公開します。
 クリックするとPDFファイルで開きます。
途中でDINコネクタの6Pinが入っているのは、TS-680Vに取り付けるのにちょうど良いのが、DINコネクタだから。
7Pinと8Pinはすでに使われているので、誤挿入をなくすように、6Pinを使用しました(オリジナルのIF-10C+IF-232CもDINコネクタの6Pinを使っているようだし)

下のACC1コネクタが、今回追加したDINコネクタ。
デバッグも完了し、動作が確認できたので、TS-680V本体に組み込みます。

こんな感じで組み込みました。

今回製作した部分を拡大。
プリント基板を取り付けたネジが気に入らないので、近いうちに交換予定です(笑)
それ以外は、なかなか良い感じにできあがりましたよ。
底面カバーを取り付け後、TS-680VをPCのRS-232C端子と接続し、最終的な動作確認を行います。
まずは、ターミナルソフトで確認。
ターミナルソフトであるTera Term Proを立ち上げ、4800bps/データビット8bit/パリティなし/ストップビット2bitに設定し、TS-680Vの電源をON。
おもむろにダイヤルを回すと、おおっ!データがきましたよ。

こんな感じでデータが送られます。
最初のIFxxxxxが周波数で、+04300がモードを示しているようです。
ちなみに、データはリアルタイムで送られるわけではなく、ダイヤルを回し終えて少し経つと、その周波数のデータが送られます。
で、次に、この基板を製作するきっかけとなった、コンテストログソフトCTESTWINで動作確認します。

CTESTWINで動作確認中。
CTESTWINで便利なのが、受信した局・交信した局の周波数を元に、リストを表示してくれるところ(上画像の左側のウィンドウ)
コンテスト中って、呼びに回っていると、「あれ?この局とは交信したよな?」と思うことが多々あるのです。
特にCWだと、コールサインを聞き終えるまで時間がかかる。
そんなとき、この機能があると便利です。
クリック一つで、その周波数に移動できるし。
あとは、無線機の周波数・モードをCTESTWINが自動で設定してくれるところ。
マルチバンドで参加していると、ログソフトの周波数切り替えを忘れちゃうんだ(笑)
PCと無線機をつなぐと、そんなミスもなくなりそうです。
というわけで、無事、動作が確認できました。
久しぶりに「作って良かった」と思いましたよ。
こんな便利な機能があるなら、もっと早く手を出せば良かった。
ハムフェアでUSBIF4CWを購入したことだし、PCメインでのコンテスト参加も可能になりました(CTESTWINはUSBIF4CWもサポートしている)
コンテスト参加が楽しみになりましたよ・・・。
そうそう、今回、プリント基板を4枚製作したので、まだ2枚余っています。

余っているプリント基板。
こんなプリント基板で良ければ、必要な人はいますか?
コネクタ・ハウジング(コンタクトなし)付きで、実費でお譲りします(送料別で\2,000前後かな?)
メールで連絡ください。
→終了しました。ありがとうございました(2009.12.15)
2010年
・IF-10C互換基板で勘違い
去年の11月7日に製作したIF-10C互換基板を、実家のTS-680Vに組み込みました。
が、しかし、動作しない・・・。
基板自体は、自宅にあるTS-680Vで動作確認しているので、問題ないはず。
ちょうど、別件で会社からオシロスコープ(オシロ)を借りてきていたので、それを使いながら、うんうん唸っていました。

本体側のパターンを追いかけている様子。
が、しかし、タイムアップ。
とりあえず、保留のまま、自宅に戻ってきました。
で、自宅に帰ってきて、動作しているTS-680Vで同じように確認したら、原因を発見。
私の勘違いでした(汗)

自宅で確認中の様子。
ターミナルソフトで動作確認をしていたのですが、それだとデータが出てこないのね。
ターミナルソフトを使用する場合、AIコマンドをこちらから送ると、周波数の情報などを出力するようになるようです。
もしかしたら、実家のTS-680Vも動作していたのかも。
次回、実家に行ったとき、動作確認してみます・・・(汗)
しかし、今回の調査で感じましたよ。
やっぱり、オシロが欲しい・・・。
夏に、オシロが壊れちゃったのよね(2009年8月15日の日記参照)
ブラウン管のオシロだと、大きいし場所をとるので、液晶のオシロが欲しいな。
秋月で売っている、3万円のオシロでも買う?
2009.11.08/2010.01.24 |